x 
Kundvagn - 0,00 kr

Kundvagn

Kundvagnen är tom

Vevaxel Suzuki K50.

Vevaxel till Suzuki K50 med tillhörande nållager.

1.145,00 kr

Product SKU: 0235601
Vevaxel Suzuki K50. Vevaxel/ramlager
1145 SEK
0235601

Vevaxel kompl. NTS för Suzuki K50

Högkvalitets vevaxel slutkontrollerad och finkalibrerad (riktad) i Sverige.

  • Riktning, (balans mellan halvorna, bild 3 ): max kast (run out)= <0,03/sida.

I viktförhållandet mycket väl balanserad vevaxel för optimal funktion och ytterst lite vibrationer,

i synnerhet vid användning tillsammans med NTS kolvar.

 
Levereras komplett med nållager för kolvbulten.
Originalnummer

12200-19803, 12200-35001, 12200-35002,

12200-35003, 12200-35880, 12200-35890,

12200-35891, 12200-35892

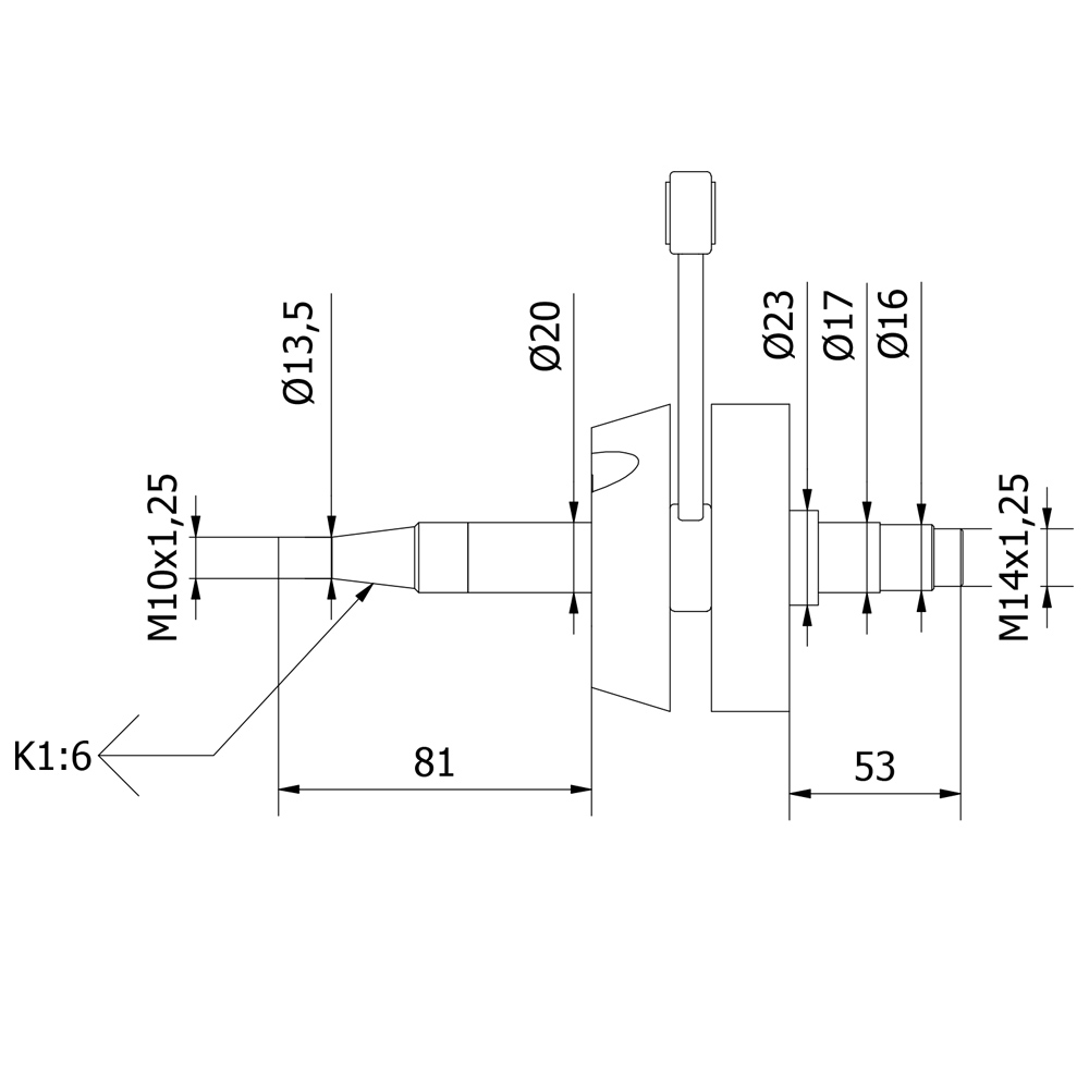
Tekniska data:

  • Nållager: 12x16x15,5 (för 12mm kolvbult) (01-11-304)
  • Kona för svänghjul: Konicitet 1:6 (ingångsdiameter ~13,5mm)
  • Gänga svänghjulsida: M10x1,25
  • Gänga transmissionssida: M14x1,25
  • Krysskil, svänghjul: 3×5 (NTS: 01-38-702)
  • Krysskil, transmissionsdrev: 3×5 (NTS: 01-38-702) 
  • Slaglängd: 38mm

    Produkten passar till

    • Suzuki
      • A50KM E22/E39 (1975~76)
      • A50P
      • K50-I (1970)
      • K50-II/K50K/K50L (1971~1974)
      • K50B/DB (1977~78)
      • K50M (1975~76)
      • K50N/DN (1978~82)
      • K50Z/DZ (1983-)
      • MT50R/J/K Trailshopper (1971~73)
      • RV50K/L (1972~74)
      • RV50M (1975~76)
90728045c8ae0d00d5825e7555a3870c.jpg

Vevaxel kompl. NTS för Suzuki K50

Högkvalitets vevaxel slutkontrollerad och finkalibrerad (riktad) i Sverige.

  • Riktning, (balans mellan halvorna, bild 3 ): max kast (run out)= <0,03/sida.

I viktförhållandet mycket väl balanserad vevaxel för optimal funktion och ytterst lite vibrationer,

i synnerhet vid användning tillsammans med NTS kolvar.

 
Levereras komplett med nållager för kolvbulten.
Originalnummer

12200-19803, 12200-35001, 12200-35002,

12200-35003, 12200-35880, 12200-35890,

12200-35891, 12200-35892

Tekniska data:

  • Nållager: 12x16x15,5 (för 12mm kolvbult) (01-11-304)
  • Kona för svänghjul: Konicitet 1:6 (ingångsdiameter ~13,5mm)
  • Gänga svänghjulsida: M10x1,25
  • Gänga transmissionssida: M14x1,25
  • Krysskil, svänghjul: 3×5 (NTS: 01-38-702)
  • Krysskil, transmissionsdrev: 3×5 (NTS: 01-38-702) 
  • Slaglängd: 38mm

    Produkten passar till

    • Suzuki
      • A50KM E22/E39 (1975~76)
      • A50P
      • K50-I (1970)
      • K50-II/K50K/K50L (1971~1974)
      • K50B/DB (1977~78)
      • K50M (1975~76)
      • K50N/DN (1978~82)
      • K50Z/DZ (1983-)
      • MT50R/J/K Trailshopper (1971~73)
      • RV50K/L (1972~74)
      • RV50M (1975~76)

© Mopedfantasterna. All rights reserved.